咨询热线: 17317246351
大家都在搜: 小型喷雾干燥机低温喷雾干燥机离心喷雾干燥机闭式喷雾干燥机喷雾造粒干燥机
首页 >> 喷雾干燥机原理
29
2024-05
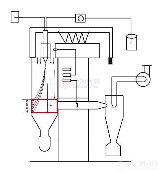
闭式循环喷雾干燥机工作原理
闭式循环喷雾干燥机是一种在封闭···
07
2023-11
小型喷雾干燥机的用途及多少钱
一、小型喷雾干燥机的用途和特点···
10
2025-09
实验型小型喷雾干燥机结构组成及使用说明书
一、结构组成实验型小型喷雾干燥···
喷雾干燥机多少钱一台?
发布时间:2023-04-25
一、喷雾干燥机多少钱一台啊1、喷雾干燥机多少钱一台啊,对于含湿量40—60%(特殊物料可达90%)的液体能一次干燥成粉粒产品,干燥后不需粉碎和筛选,减少生产工序,提高产品纯度对产品粒径,松密度,水份,在一定范围内可通过改变操作条件进行调整,控制和管理都很方便。2、类型 常见的干燥设备包括带式干燥机、···
喷雾干燥机使用教程
劳动节临到之时,很多网友问小编有关喷雾干燥机使用教程视频?喷雾干燥机使用教程图解?下面小编整理了喷雾干燥机使用教程的图解教程, 让我们来详细的了解一下喷雾干燥机使用说明书,一、喷雾干燥机使用教程视频1.喷雾干燥机使用教程视频,QFN-8000S实验室小型喷雾干燥机为实验室用精心开发而成,整机设计紧凑···
实验室用小型喷雾干燥机哪家好?
发布时间:2023-02-13
实验室用小型喷雾干燥机哪家好:实验室用小型喷雾干燥机在国内生产厂家较多,但哪个品牌、服务、质量、售后更好呢,这个**从这几个角度来判断,厂家创立年限、致电咨询、询问客户评价等,**就是价格方面,在市面上同样的产品品牌不同,但是价格差距较大,在这里给大家总结一下,价格低可能是部分商家用来引流或者就是质
喷雾干燥机的型号有哪些?
发布时间:2023-02-01
小型喷雾干燥机型号:小型喷雾干燥机的型号有:QFN-8000S QFN-8000T QFN-8000N QFN-9000Y QFN-9000YZ 等等,小型喷雾干燥机主要用于科研实验室,小批量物料干燥实验及生产,在前期摸索工艺的选择。对所有溶液如乳浊液、悬浮液具有广谱适用性, 适用于对热敏感性物的干···
喷雾干燥机设备选型及参数有哪些
发布时间:2023-01-12
喷雾干燥机设备选型: 喷雾干燥设备型号和种类较多,所以每个行业做的物料和要求也有所不同,比如:热敏性 粒径大小 粒径粘度较高 含有机溶剂等等,所以选型的设备也有所不同,下面我们来给大家简单的介绍一下如何选型机参数有哪些。如果是热敏性物料,可以看低温喷雾干燥机、喷雾冷冻干燥机、真空喷雾
干法制粒机与湿法制粒机的区别?
发布时间:2021-08-09
干法制粒机:干法制粒机压轮电流突然变高然后卡机电脑出现故障有各样的原因,需要从外到内、从机械到电气、从软件到硬件逐步进行检查测试和判断。但更重要的是要注意防范,要改善不良的使用环境,改变不良的使用习惯,坚持按科学合理的使用程序开机、关机和操作。电脑工作时,尤其是读写数据时不能突然关机,否则可能会损坏···
小型喷雾干燥机-小型喷雾干燥机的主要特征
发布时间:2021-08-02
小型喷雾干燥机的主要特征●进口喷头,效率高。●彩*大触摸屏操作,自动控制与手动控制相结合,中英文面板,参数液晶显示。●实时调整PID恒温控制技术,控温准确,加热控温精度±1℃。●喷雾、干燥、收集装置采用透明、优质、耐高温的高硼硅玻璃制成,整个喷雾干燥实验过程一目了然。●二流体喷雾雾化结构采用高精度不···
小型喷雾干燥机的常见故障及解决方法?
发布时间:2021-01-06
小型喷雾干燥机的常见故障及解决方法?喷雾干燥机因为干燥速度快,干燥效果好,生产过程持续化等特点被广大企业公司所推崇。但是,随着使用时间的增长及相关参数设置不当,喷雾干燥机在生产过程中就会产生一些问题。经过上海乔枫研发生产喷雾干燥机十几年的经验总结,现罗列一些常见的问题及解决方案:1.物料水分含量太高···
在线咨询
服务热线: 17317246351
扫一扫联系客服
免费做方案